Dedicated converter unit
Power Converter series
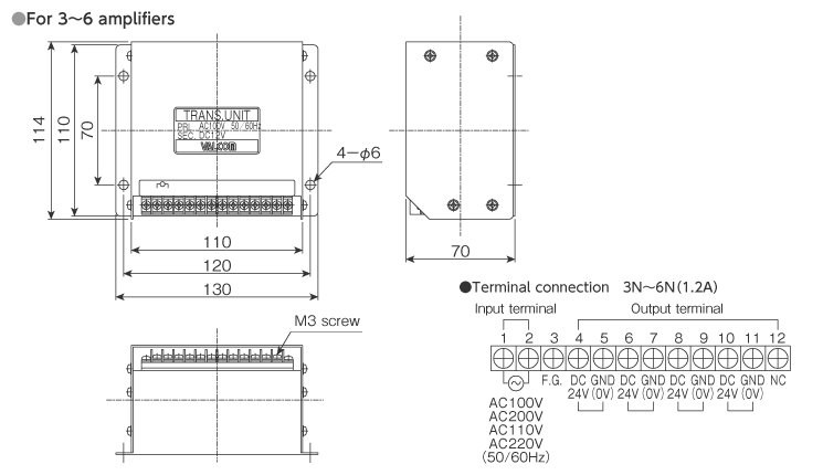
- From single sensor connection to multiple sensor connection up to 6 units available.

Model Selection

| Selection | Check | Model | Specifications |
|---|---|---|---|
| 1.Model | TUP | for VPJ | |
| 2.Input Power Supply (PRI) | AC100V | AC100V (±10%) 50/60Hz | |
| AC200V | AC200V (±10%) 50/60Hz | ||
| AC110V | AC110V (±10%) 50/60Hz | ||
| AC220V | AC220V (±10%) 50/60Hz | ||
| 3.Output (SEC) | 4 | Selected TUP:DC24V | |
| 4.Available Number of Amplifiers | 1 | For single: 1 N (Can be connected to one pressure transmitter.) | |
| 2 | For 2 amplifiers: 2 N | ||
| □□ | For 3–6 amplifiers: N |
External dimensions (Unit: mm)
Digital Panel Meter

